



- Zīmols: HANSGROHE (Vācija)
- Modelis: 13902000
- Svars: 0.20kg
- EAN: 4011097537139
Pieejamība: 3-5 darba dienas
Ventilis Hansgrohe E stūra, hroms 13902000
Produkta informācija
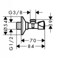
Leņķa vārsts E
- rozetes
diametrs: 54 mm
- Sienas
ievada pieslēguma izmērs G ½
- Izvada
savienojuma izmērs G ⅜
- savienojuma
veids: bez kompresijas savienojuma
- pamatmateriāls:
misiņš
- roktura un rozetes materiāls: plastmasa
Leņķa
vārstu sērijas produkti
Praktiski palīgi, bez kuriem ūdensapgādes sistēmas uzticamība ir grūti iedomājama. Tradicionālā santehnikas ražotāja Hansgrohe leņķa vārsti lepojas ar precīzu tehnisko meistarību, uzticamību un arī gaumīgu dizainu. Tie ir pieejami vairākās praktiskās variācijās un dažādās virsmas apdarēs.